Kühlwasser Verlust

Diskutiere Kühlwasser Verlust im 1M - Mängelliste Forum im Bereich Der Leon 1; In welchem Preisbereich liegt die Reparatur der Zylinderkopfdichtung?
  • Kühlwasser Verlust Beitrag #41
In welchem Preisbereich liegt die Reparatur der Zylinderkopfdichtung?
 
  • Kühlwasser Verlust Beitrag #42
zwischen 600€ und 1400€ :wave:
 
  • Kühlwasser Verlust Beitrag #43
Das ist aber eine grosse Preisspanne !!!

Unterschied zwischen freier und Vertragswerkstatt??
 
  • Kühlwasser Verlust Beitrag #44
geh einfach zu 3 oder 4 werkstätten und lass dir kostenvoranschläge machen. ich weiss nicht in welcher region du lebst, ich kenne die stundensätze nicht. das sind meine erfahrungen im raum msp. ;)
 
  • Kühlwasser Verlust Beitrag #45
Vielleicht hast du ja auch die Möglichkeit, den Wechsel von einem Bekannten oder so machen zu lassen?

Die Arbeit selbst ist nicht allzu kompliziert, ist allerdings sehr zeitaufwändig, das ist auch der Grund warum das in der Werkstatt so teuer ist...
 
  • Kühlwasser Verlust Beitrag #46
Jetzt bin ich ca. 560 km gefahren ohne das Wasser fehlte. Gestern machte mich das Piepsen dann auf zu wenig Wasser aufmerksam. Ich füllte wenig Wasser nach, sodass der Wasserstand wieder auf "Normal" stand.

Heute kontrollierte ich den Wasserstand und öffnete dazu den Deckel. Nachdem der Deckel ab war, fing es an zu blubbern und der Wasserstand im Behälter stieg ca. 2 cm über "Normal" an.

Wo kommt das Wasser plötzlich her ???
 
  • Kühlwasser Verlust Beitrag #47
das wasser ist im kühlsystem verteilt. da ist trotzdem etwas verschwunden. es war bei mir sogar möglich, dass sich der komplette kühlmittelbehälter entleert und beim öffnen sich die kugel wieder halb gefüllt hat! ich habe das gerade hinter mich gebracht, glaub mir, es ist die zylinderkopfdichtung. hast du nun mal den kühlwasser behälter abgeschraubt und drunter geschaut ob etwas fehlt? das du 500 km nichts nachgefüllt hast liegt am fahrstil. wenn ich unter 2000 touren gefahren bin hat er gar nichts verbraucht. bei mir waren zylinder 2 und 3 weiss innen und damit war es sicher die zylinderkopfdichtung. schau unter den abgeschraubten behälter, lass einen co test machen und schau ob der erste schwarze schlauch vorne rechts im motorraum hart wird nach dem fahren. sollte das zutreffen ist es definitiv die zylinderkopfdichtung.

gruß draven :wave:
 
  • Kühlwasser Verlust Beitrag #48
das warmes kühlwasser steigt im ausgleichsbehälter ist normal da es nen überdrucksystem ist und der ausgleichsbehälter der höchste pkt befindet sich dort die warme luftblase, die das wasser in die schläuche presst.

wenn kein überdruck vorhanden ist bei warmen kühlwasser dann ist das system undicht (logischerweise)
 
  • Kühlwasser Verlust Beitrag #49
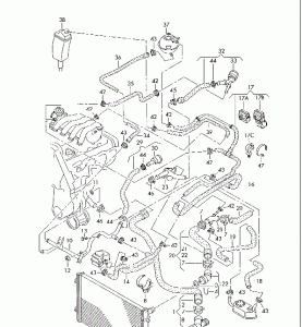
Wie es aussieht ist meine Zylinderkopfdichtung nicht kaputt sondern nur ein Schlauch.

Jetzt habe ich das Problem, dass es eine Vielzahl an Schläuchen gibt und die Werkstatt den passenden Schlauch ohne meine Teilenummer nicht bestellen kann oder will. Leider kann ich auf dem Schlauch nirgends eine Teilenummer entdecken. Vielleicht könnt ihr mir helfen.

Vom Wasserbehälter geht ein Schlauch ab (1 JO 122 109 AQ), daran schließt sich ein Y-förmiges Kupplungsstück an. Von diesem Y-Stück geht ein dünner Schlauch (Durchmesser ca. 1,5 cm) nach hinten und ein dicker Schlauch (Durchmesser ca. 3 cm) nach vorne vor den Motorblock, der dann nach unten verläuft und in den Motorblock mündet, Länge ca. 50 cm.

Wo finde ich auf diesem Schlauch die Teilenummer??
 
Zuletzt bearbeitet:
  • Kühlwasser Verlust Beitrag #50
Hi,

wenn du die nummer davon weist auf dem Bild, kann ich dir die TN dazu raussuchen.

mfg :very_hap:

ps: bin von nem AGN ausgegangen.
 

Anhänge

  • Kühler.gif
    Kühler.gif
    30,8 KB · Aufrufe: 35
  • Kühlwasser Verlust Beitrag #51
Danke für deine Hilfe. Habe die Motorkennbuchstaben AUQ. BJ 2001.

Der Schlauch, der vom Ausgleichbehälter abgeht sieht bei mir anders aus.
 
  • Kühlwasser Verlust Beitrag #52
Hey, sorry, war gestern nicht mehr online.
Hab den Plan vom AUQ mal rausgesucht, guck mal ob das das richtige ist.
Wenn du dann die Zahl hast, such ich dir die direkt raus.

Alexander
 

Anhänge

  • auq.rar
    271,5 KB · Aufrufe: 13
  • Kühlwasser Verlust Beitrag #53
Es ist der Schlauch, der rechts an Nr. 34 anschließt. Müßte demnach Nr. 10 sein.
 
  • Kühlwasser Verlust Beitrag #54
Also der wo die vielen Anschlüsse dran sind?
10 hat die nummer
06A 121 065 AK

Viel Spas

Edit: Hätte das auch so direkt machen können, hab nicht dran gedacht. Hier haste bild plus TN

LG
 

Anhänge

  • auq_.rar
    338,6 KB · Aufrufe: 5
  • Kühlwasser Verlust Beitrag #55
Vielen Dank.

Aber eigentlich sind an dem Schlauch, den ich benötige keine weiteren Anschlüsse. Kann man an Nr. 34 noch einen anderen Schlauch anschließen?


EDIT (autom. Beitragszusammenführung) :

Ich habe meinen Kühlwasserverlust jetzt gestoppt. Nach langen 1,5 Wochen habe ich den richtigen Schlauch bekommen.

Er gehörte als Set zu den beiden anderen Schläuchen. Laut Händler waren die Teile nicht richtig gelistet.

Ich bin jedenfalls froh, dass es nur am Schlauch lag und nicht an der Zylinderkopfdichtung.
 
Zuletzt bearbeitet:
  • Kühlwasser Verlust Beitrag #56
Laut Händler waren die Teile nicht richtig gelistet.
Du meinst von den Nummern die ich dir gegeben hab? hmmm sorry. sind aber die, die ich im Etka drin hab.
 
  • Kühlwasser Verlust Beitrag #57
Nein nein, der Fehler lag bei Seat.

Unter der Teilenummer 1 JO 122 109 AQ müssen 3 Schläuche geliefert werden. Es wurden aber immer nur 2 geliefert. Irgendwie haben sie dann den 3. Schlauch besorgt.
 
  • Kühlwasser Verlust Beitrag #58
Ah so, dann hats ja alles geklappt und der Verlust ist gestoppt =)
 
Thema:

Kühlwasser Verlust

Kühlwasser Verlust - Ähnliche Themen

Kühlwasser/Kühlflüssigkeit/Kühlmittel Verlust - Seat Leon 5F: Hallo zusammen, leider bin ich am verzweifeln und deshalb versuche ich mein Glück hier. Ich habe einen Seat Leon 2.0 184 PS Diesel, Baujahr 2017...
Auto ruckelt, Ladedruck obwohl SOLL auf 0: Guten Tag zusammen, ich fahre einen Seat Leon 5F 2.0 190Ps aus 2018 mit 108kkm gelaufen. Stage 1 seit ca. 60kkm drauf von VFT Tuning, Ölwechsel...
Verkokungen / EPC-Leuchte / Premium-Kraftstoff (Additive): Moin. Ich besitze einen Seat Leon 5F ST, 150PS, 1,4L DSG, BJ 2018. Vor ca. 1 1/2 Jahren hatte ich das Problem, dass die EPC-Leuchte aufblinkte...
DQ381 kalter Zustand hartes runterschalten von Gang 4 auf 3: Hallo zusammen, hier mal eine Zusammenfassung meines Problems, viele Foren und Beiträge durchsucht und es gab nie eine Lösung dazu. Viele...
Kühlmittel Verfärbung / Keine Heizung / Überdruck im Kühlsystem: Hier geht es um den allgemeinen Problem die schon hier beschrieben wurde(Leon 5F 1.6 TDI Start-Stop, Motor CLHA). Ich habe bei ca. 90.000km...

Neueste Beiträge

Oben